
ZJHP、ZJHM气动流量调节阀@德国NOOK诺克是由多弹簧气动薄膜执行机构和低流阻精小型调节阀阀体组成,多弹簧执行机构高度低、重量轻、装备简便。气动流量调节阀阀体流道呈S流线型,具有结构紧凑、重量轻、动作灵敏、压降损失小、阀容量大、流量特性精确、维护方便等优点,可用于苛刻的工作条件。气动流量调节阀配用电-气阀门定位或气动阀门定位器,可实现对工艺管路流体介质的自动调节控制。气动流量调节阀广泛应用于精确控气体、液体、蒸汽等介质的工艺参数如压力、流量、温度、液位等参数保持在给定值气。ZJHP、ZJHM气动流量调节阀特别适用于允许泄露量小、阀前后压差不大及有一定粘度和含少量纤维介质的场合。
| 形 式 | 直通单座铸造球型阀 |
| 公称通径 | 20、25、32、40、50、65、80、100、125、150、200mm |
| 公称压力 | PN16、40、64bar |
| 法兰标准 | JB/T79.1-94、792-94等 |
| 材 料 | 铸钢( ZG230450)、铸不锈钢(ZGICr18Ni9Ti、ZGICr18Ni12M02Ti)等 |
| 上 阀 盖 | 标准型:-17-230℃ 散热型:230-450℃ 低温型:-60--196℃ 波纹管密封型:-40-350℃ |
| 阀盖形式 | 螺栓压紧式 |
| 填 料 | V型聚四氟乙烯填料、含浸聚四氰乙烯石棉填料、石棉纺织填料、石墨填料 |
| 阀芯型式 | 单座柱塞型阀芯、套筒阀芯 |
| 流量特性 | 等百分比特性和线性特性 |
| 材 料 | 不锈钢(1Cr18Ni9Ti、1Cr18Ni12M02Ti、17-4PH、9Cr18、316L)、不锈钢堆司太莱合金、钛和耐腐蚀台金等。 |
| 型 式 | ZHA/B多弹簧薄膜执行机构 | ||||
| 型 号 | ZHA/B-22 | ZHA/B-23 | ZHA/B-34 | ZHA/B-45 | ZHA/B-56 |
| 有效面积cm2 | 350 | 350 | 560 | 900 | 1400 |
| 行程mm | 10、16 | 25 | 40 | 40、60 | 100 |
| 弹簧范围KPa | 20-100(标准)、20-60、60-100、40-200、80-240 | ||||
| 膜片材料 | 丁晴橡胶夹尼龙布、乙丙橡胶夹尼龙布 | ||||
| 供气压力 | 140-400KPa | ||||
| 气源接口 | RCl/4" | ||||
| 环境温度 | -30-70℃ | ||||
作用形式
气关式(B)- 失气时阀位开(FO);气开式(K)一失气时阀位关(FC)
附件
定位器、空气过滤减压器、保位阀、行程开关、阀位传送器、手轮机构等
| 项 目 | 不带定位器 | 带定位器 | ||
| 基本误差% | ±5.0 | ±1.0 | ||
| 回 差% | ≤3.0 | ≤1.0 | ||
| 死 区% | ≤3.0 | ≤0.4 | ||
| 始终点偏差% | 气开 | 始点 | 土2.5 | ±1.0 |
| 终点 | ±5.0 | ±1.0 | ||
| 气关 | 始点 | ±5.0 | ±1.0 | |
| 终点 | 土2.5 | ±1.0 | ||
| 额定行程偏差% | ≤2.5 | |||
| 泄漏量1/h | 0.01%X阀额定容量 | |||
| 可调范围R | 30:1 | |||
| 公称通径DN(mm) | 20 | 25 | 32 | 40 | 50 | 65 | 80 | 100 | 125 | 150 | 200 | ||||
| 阀座直径DN(mm) | 10 | 12 | 15 | 20 | 25 | 32 | 40 | 50 | 65 | 80 | 100 | 125 | 150 | 200 | |
| 额定流量系数Kv | 直线 | 1.8 | 2.8 | 4.4 | 6.9 | 11 | 17.6 | 27.5 | 44 | 69 | 110 | 176 | 275 | 440 | 690 |
| 等百分比 | 1.6 | 2.5 | 4.0 | 6.3 | 10 | 16 | 25 | 40 | 63 | 100 | 160 | 250 | 400 | 630 | |
| 额定行程L(mm) | 10 | 16 | 25 | 40 | 60 | ||||||||||
| 配用执行机构型号 | ZHA/B-22 | ZHA/B-23 | ZHA/B-34 | ZHA/B-45 | |||||||||||


| 公称通径DN (mm) | 20 | 25 | 32 | 40 | 50 | 65 | 80 | 100 | 125 | 150 | 200 | |||||
| 阀座直径DN (mm) | 10 | 12 | 15 | 20 | 25 | 32 | 40 | 50 | 65 | 80 | 100 | 125 | 150 | 200 | ||
| 执行机构 | ZHA/B-22 | ZHA/B-23 | ZHA/B-34 | ZHA/B-45 | ||||||||||||
| 作用 方式 | 气源压力 (Kpa) | 弹簧范围 (Kpa) | 允许压差△(bar) | |||||||||||||
| 气关 | 140 | 20~100 | 64 | 61.9 | 39.6 | 22.3 | 21.4 | 8.7 | 5.6 | 3.5 | 3.4 | 2.2 | 1.4 | 1.5 | 1 | 0.6 |
| 250 | 20~100 | 64 | 64 | 64 | 64 | 64 | 56.8 | 36.4 | 23 | 22.1 | 14.3 | 9.1 | 9.5 | 6.6 | 3.7 | |
| 400 | 40-200 | 64 | 64 | 64 | 64 | 64 | 64 | 50.4 | 31.8 | 30.6 | 19.8 | 2.6 | 13.2 | 9.2 | 5.2 | |
| 气开 | 140 | 20~100 | 44.6 | 30.9 | 19.8 | 11.6 | 7 | 4.4 | 2.8 | 1.8 | 11.7 | 1.1 | 0.7 | 0.7 | 0.5 | 0.3 |
| 250 | 40-200 | 64 | 64 | 59.4 | 33.4 | 21.4 | 13.1 | 8.1 | 5.3 | 5.1 | 3.3 | 2.1 | 2.2 | 1.5 | 0.9 | |
| 400 | 80-240 | 64 | 64 | 64 | 64 | 49.9 | 30.5 | 19.5 | 12.5 | 11.8 | 7.8 | 5 | 5.1 | 3.6 | 2.1 | |
备注:对于波纹管密封调节阀,最大允许压差为10bar,表中数值若小于10bar则不变,若大于10bar则取l0bar.

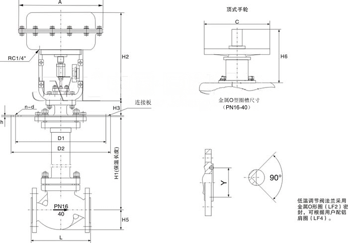
| 外形尺寸及重量 单位:mm | ||||||||||||
| 公祢通径 | 20 | 25 | 32 | 40 | 50 | 65 | 80 | 100 | 125 | 150 | 200 | |
| L | PN16/40 | 181 | 184 | 220 | 222 | 254 | 276 | 298 | 352 | 410 | 451 | 600 |
| PN64 | 206 | 210 | 251 | 251 | 286 | 311 | 337 | 394 | 457 | 508 | 650 | |
| A | 285 | 285 | 285 | 285 | 285 | 360 | 360 | 360 | 470 | 470 | 470 | |
| H1 | PN16/40 | 128 | 128 | 152 | 152 | 160 | 205 | 205 | 208 | 273 | 330 | 364 |
| PN64 | 140 | 140 | 160 | 160 | 180 | 210 | 210 | 220 | 290 | 340 | 370 | |
| H2 | 298 | 298 | 298 | 298 | 298 | 380 | 380 | 380 | 510 | 510 | 510 | |
| H3 | PN16/40 | 208 | 208 | 224 | 228 | 228 | 334 | 334 | 342 | 408 | 453 | 482 |
| PN64 | 220 | 220 | 240 | 240 | 240 | 350 | 350 | 360 | 420 | 470 | 500 | |
| H4 | 238 | 238 | 402 | 402 | 405 | 627 | 628 | 635 | 698 | 702 | 728 | |
| H5 | PN16/40 | 53 | 58 | 68 | 73 | 80 | 90 | 98 | 108 | 123 | 140 | 168 |
| PN64 | 63 | 68 | 75 | 83 | 88 | 100 | 105 | 125 | 148 | 170 | 203 | |
| C | 220 | 220 | 220 | 220 | 220 | 270 | 270 | 270 | 320 | 320 | 320 | |
| H6 | 180 | 180 | 180 | 180 | 180 | 236 | 236 | 236 | 310 | 310 | 310 | |
| 重量 (kg) | PN16/40 | 21 | 22 | 24 | 32 | 38 | 62 | 67 | 83 | 132 | 160 | 245 |
| PN64 | 24 | 25 | 30 | 42 | 52 | 78 | 82 | 102 | 170 | 190 | 285 | |
备注:
1、表中重量为不带附件标准数据,也可安装侧装式手轮。
2、阀门法兰及法兰端面距可按用户指定标准制造,如:ANSI,JIS,DIN标准。

| 公祢通径 | 20 | 25 | 32 | 40 | 50 | 65 | 80 | 100 | 125 | 150 | 200 | |
| L | PN16/40 | 181 | 184 | 220 | 222 | 254 | 276 | 298 | 352 | 410 | 451 | 600 |
| PN64 | 206 | 210 | 251 | 251 | 286 | 311 | 337 | 394 | 457 | 508 | 650 | |
| A | 285 | 285 | 285 | 285 | 285 | 360 | 360 | 360 | 470 | 470 | 470 | |
| H1 | 700 | 700 | 700 | 700 | 700 | 700 | 700 | 700 | 700 | 700 | 700 | |
| H2 | 298 | 298 | 298 | 298 | 298 | 380 | 380 | 380 | 510 | 510 | 510 | |
| H3 | 88 | 88 | 88 | 88 | 88 | 94 | 94 | 94 | 110 | 110 | 110 | |
| H5 | PN16/40 | 53 | 58 | 68 | 73 | 80 | 90 | 98 | 108 | 123 | 140 | 168 |
| PN64 | 63 | 68 | 75 | 83 | 88 | 100 | 105 | 125 | 148 | 170 | 203 | |
| D1 | PN16/40 | 230 | 230 | 250 | 270 | 305 | 342 | 375 | 430 | 490 | 556 | 665 |
| PN64 | 270 | 270 | 305 | 342 | 375 | 430 | 490 | 556 | 665 | 665 | 765 | |
| D2 | PN16/40 | 310 | 310 | 335 | 335 | 390 | 430 | 465 | 502 | 585 | 660 | 770 |
| PN64 | 355 | 355 | 390 | 430 | 465 | 520 | 585 | 600 | 770 | 770 | 890 | |
| h | 15 | 15 | 15 | 15 | 15 | 18 | 18 | 18 | 20 | 20 | 20 | |
| n-d | PN16/40 | 8-12 | 8-12 | 8-12 | 8-14 | 8-14 | 10-14 | 10-14 | 12-16 | 14-16 | 16-16 | 18-16 |
| PN64 | 8-14 | 8-14 | 8-14 | 10-14 | 10-14 | 12-16 | 14-16 | 16-16 | 18-16 | 18-16 | 18-16 | |
| Y | 45 | 45 | 60 | 65 | 75 | 90 | 104 | 135 | 165 | 195 | 245 | |
| C | 220 | 220 | 220 | 220 | 220 | 270 | 270 | 270 | 320 | 320 | 320 | |
| H6 | 180 | 180 | 180 | 180 | 180 | 236 | 236 | 236 | 310 | 310 | 310 | |
| 重量 | (kg) | 40 | 48 | 52 | 60 | 68 | 90 | 105 | 143 | 210 | 282 | 315 |
备注:
1、 保温长度以700mm为例,表中重量为PN16数据,也可安装侧装式手轮。
2、阀门法兰及法兰端面距可按用户指定标准制造,如:ANSI,JIS,DIN标准。

主要外形尺寸
| 公祢通径 | 20 | 25 | 32 | 40 | 50 | 65 | 80 | 100 | 125 | 150 | 200 |
| L | 181 | 184 | 220 | 222 | 254 | 276 | 298 | 352 | 410 | 451 | 600 |
| A | 285 | 285 | 285 | 285 | 285 | 360 | 360 | 360 | 470 | 470 | 470 |
| H1 | 152 | 152 | 177 | 177 | 183 | 221 | 221 | 230 | 315 | 355 | 385 |
| H2 | 298 | 298 | 298 | 298 | 298 | 380 | 380 | 380 | 510 | 510 | 510 |
| H3 | 220 | 220 | 240 | 240 | 240 | 350 | 350 | 360 | 420 | 470 | 500 |
| H5 | 75 | 81 | 89 | 95 | 109 | 121 | 133 | 146 | 160 | 180 | 210 |
| L1 | 101 | 101 | 108 | 108 | 108 | 123 | 123 | 123 | 140 | 140 | 140 |
| L2 | 126 | 126 | 126 | 130 | 141 | 156 | 170 | 180 | 200 | 220 | 265 |
| C | 220 | 220 | 220 | 220 | 220 | 270 | 270 | 270 | 320 | 320 | 320 |
| H6 | 180 | 180 | 180 | 180 | 180 | 236 | 236 | 236 | 310 | 310 | 310 |
| 法兰规格DN | 40 | 40 | 50 | 65 | 80 | 100 | 125 | 150 | 200 | 250 | 300 |
| 重量(kg) | 26 | 27 | 35 | 44 | 56 | 84 | 88 | 109 | 185 | 202 | 305 |