
德国NOOK诺克@进口智能压力变送器系新型变送器,关键原材料、元器件和零部件均采用进口,整机经过严格组装和测试,该产品具有设计原理先进、品种规格齐全、安装使用简便等特点。同时与传统的1151以及其它知名同类产品直接替换,有很强的通用性和替代能力。为适合国内自动化水平的不断提高和发展,该系列产品除设计小巧精致外,更推出具有HART现场总线协议的智能化功能。
被测介质的两种压力通入高、低两个压力室,作用在δ元件(即敏感元件)的两侧隔离膜片上,通过隔离片和元件内的填充液传送到测量膜片两侧。电容式压力变送器是由测量膜片与两侧绝缘片上的电极各组成一个电容器。当两侧压力不一致时,致使测量膜片产生位移,其位移量和压力差成正比,故两侧电容量就不等,通过振荡和解调环节,转换成与压力成正比的信号。电容式压力变送器和电容式压力变送器的工作原理和差压变送器相同,所不同的是低压室压力是大气压或真空。电容式压力变送器的A/D转换器将解调器的电流转换成数字信号,其值被微处理器用来判定输入压力值。微处理器控制变送器的工作。另外,它进行传感器线性化。重置测量范围。工程单位换算、阻尼、开方,传感器微调等运算,以及诊断和数字通信。
● 高精度,稳定性好,量程比为100:1
● 量程范围从0-0.06KPA至40MPa,量程、零点,外部连续可调。
● 过程隔离膜片为316L不锈钢、哈氏合金、钽膜片、蒙乃尔等可选。
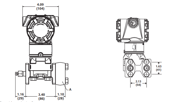
● 无机械运动部件,工作可靠,坚固抗震,维护简单。
● 小型,重量轻,坚固抗振,轻便易于安装。
● 带有EEPROM,断电时不会丢失数据,二线制(特殊可四线制)量程、零点外部连续可调。
● 智能、模拟可选,固体元件,接插式印刷线路板,可满足各种应用要求。
● 一流的性能,精度高达0.075%,正迁移可达500%;负迁移可达600%。
● 模块化设计、可更换电子模块和显示单元无需标定、菜单化人机界面操作,中英文语言切换简单易用、支持出厂数据恢复。
● 阻尼可调
● 单向过载保护特性好
● 无机械可动部件,维修工作量少
● 全系列统一结构,零部件互换性强
● 接触介质的膜片材料可选择(316L、TAN、HAS-C、MONEL等耐腐蚀材料)
● 防爆结构,全天候使用
● 智能HART现场总线协议
● 智能压力变送器技术参数
● 模拟量:二线制4~20mADC
● 数字量:两线制4~20mADC并叠加符合HART协议的过程变量数字信号。
● 电源:供电电压12.5~45VDC
● 负载限制:回路负载电阻Rmax取决于供电电压。HART通讯要求负载电阻不低于250Ω,不高于600Ω
● 通讯距离:RS485通讯距离为1.5Km,多站通讯最多可接15台智能变送器。
● 输出显示:四位制数字显示、五位LCD液晶显示、指针式。
● 防爆形式:本安型:ExiaIICT5;隔爆型。
● 零点迁移范围:零点可随意正迁移或负迁移,但不得使设定的测量范围上下限和量程超出极限值。
● 温度范围:环境温度:-40~85℃(选用LCD指示表时为-20~70℃)
● 测量介质温度:-40~104℃
● 静压和单向超压范围:3.45Kpa(绝压)~31.2MPa(表压)
● 相对湿度:5~98%RH
● 启动时间:5秒内启动
● 容量变化量:小于0.16cm3
● 阻尼调整:时间常熟0.20~25秒
● 故障报警:如传感器或电路出现故障,自动诊断功能将自动输出3.9或21.0mA
● 组态保护:为了避免变送器的组态数据被随意改动,可通过软件或保护开关锁定存储的数据。
广泛用于石油、化工、冶金、电力、液压、汽体纺织、食品、造纸、印染、水利工程、锅炉、橡胶、制糖、医药、机械制造,科学实验和航空军用等工业领域。

| HY3051/3151/3351GP | 智能压力变送器 | ||||||
| 代码 | 量程范围KPa | ||||||
| 2 | 0-0.125~1.5 | ||||||
| 3 | 0-1.3~7.5 | ||||||
| 4 | 0-6.2~37.4 | ||||||
| 5 | 0-31.1~186.8 | ||||||
| 6 | 0-117~690 | ||||||
| 7 | 0-345~2068 | ||||||
| 8 | 0-1170~6890 | ||||||
| 9 | 0-3450~20680 | ||||||
| 0 | 0-6890~41370 | ||||||
| 代码 | 输出 | ||||||
| E | 4-20mA | ||||||
| S | 智能式 | ||||||
| 代号 | 结构材料 | ||||||
| 法兰和接头 | 排气/排液阀 | 隔离膜片 | 灌充液体 | ||||
| 22 | 316不锈钢 | 316不锈钢 | 316不锈钢 | 硅油 | |||
| 23 | 316不锈钢 | 316不锈钢 | 哈氏合金C | ||||
| 24 | 316不锈钢 | 316不锈钢 | 蒙乃尔 | ||||
| 25 | 316不锈钢 | 316不锈钢 | 钽 | ||||
| 33 | 哈氏合金C | 哈氏合金C | 哈氏合金C | ||||
| 35 | 哈氏合金C | 哈氏合金C | 钽 | ||||
| 44 | 蒙乃尔 | 蒙乃尔 | 蒙乃尔 | ||||
| 代号 | 选项 | ||||||
| M1 | 0-100%线性指示表 | ||||||
| M2 | LED显示表 | ||||||
| M3 | LCD显示表 | ||||||
| B1 | 管装弯支架 | ||||||
| B2 | 板装弯支架 | ||||||
| B3 | 管装平支架 | ||||||
| D1 | 侧面泄放阀在压力室上部 | ||||||
| D2 | 侧面泄放阀在压力室下部 | ||||||
| 不注 | 1/2NPT锥管螺纹接头 | ||||||
| C2 | 丁字形螺纹接头M20×1.5,带后部焊接Ф14引压管的球锥连接头 | ||||||
| d | 隔爆型EXdⅡBT4EXdIICT6 | ||||||
| i | 本安型iaⅡCT6 | ||||||