
德国NOOK诺克@进口防腐型电磁流量计系国际领先的设计理念及标准,融入励磁电流自动补偿,电容法空管检测技术,从而可带来快速响应和高稳定性。防腐型电磁流量计主要用于测量封闭管道中的导电液体和浆液中的体积流量。如水、污水、泥浆、纸浆、各种酸、碱、盐溶液、食品浆液等,防腐型电磁流量计广泛应用于石油、化工、冶金、纺织、食品、制药、造纸等行业以及环保、市政管理,水利建设等领域。
防腐流量计广泛用于测量导电液体和液固两相流体的体积流量,其测量原理是根据法拉第电磁感应定律,如下图所示,上下两端的两个电磁线圈产生恒定或交变磁场,当导电介质流过电磁流量计时,做切割磁感线运动,此时会产生一个感应电动势并被两测量电极检测出来,这个感应电动势大小与导电介质流速、磁场的磁感应强度、导体宽度(流量计测量管径)成正比,再通过运算就可以得到介质流量。
1、三电极结构安全接地
2、电极材料:哈氏C合金、钛、钽
3、四氟内衬耐强酸强碱
4、不锈钢外壳延长寿命
5、密度换算功能,轻易计算质量

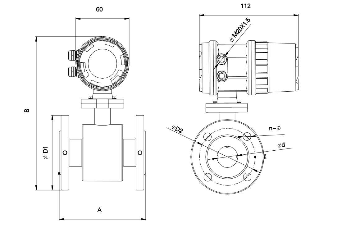
| 口径(mm) | 额定压力(MPa) | 仪表外形尺寸(mm) | 重量Kg | |||||
| A | B | φD1 | φD2 | φD | n-φ | |||
| 10 | 4.0 | 200 | 245 | 90 | 60 | 10 | 4-φ14 | 5.5 |
| 15 | 200 | 245 | 95 | 65 | 15 | 4-φ14 | 6 | |
| 20 | 200 | 245 | 105 | 75 | 20 | 4-φ14 | 6.5 | |
| 25 | 200 | 223 | 115 | 85 | 25 | 4-φ14 | 6 | |
| 32 | 200 | 235 | 140 | 100 | 32 | 4-φ18 | 9 | |
| 40 | 200 | 255 | 150 | 110 | 40 | 4-φ18 | 10.5 | |
| 50 | 200 | 263 | 165 | 125 | 50 | 4-φ18 | 11.5 | |
| 65 | 1.6 | 200 | 283 | 185 | 145 | 65 | 4-φ18 | 15 |
| 80 | 250 | 298 | 200 | 260 | 80 | 8-φ18 | 15 | |
| 100 | 250 | 320 | 220 | 180 | 100 | 8-φ18 | 20 | |
| 125 | 250 | 343 | 250 | 21 | 125 | 8-φ18 | 24 | |
| 150 | 300 | 377 | 285 | 245 | 150 | 4-φ22 | 34 | |
| 200 | 1.0 | 350 | 435 | 340 | 395 | 200 | 4-φ22 | 41 |
| 250 | 450 | 523 | 395 | 350 | 250 | 12-φ23 | 64 | |
| 300 | 500 | 560 | 445 | 400 | 300 | 12-φ23 | 74 | |
| 350 | 600 | 583 | 505 | 460 | 350 | 16-φ23 | 92 | |
| 400 | 600 | 633 | 565 | 515 | 400 | 16-φ26 | 108 | |
| 450 | 600 | 696 | 615 | 565 | 450 | 20-φ26 | 128 | |
| 500 | 600 | 753 | 670 | 620 | 500 | 20-φ26 | 151 | |
| 600 | 600 | 857 | 780 | 725 | 600 | 20-φ26 | 198 | |
| 700 | 700 | 980 | 890 | 840 | 700 | 24-φ30 | 256 | |
| 800 | 800 | 1091 | 1015 | 950 | 800 | 24-φ33 | 340 | |
| 900 | 900 | 1183 | 1115 | 1015 | 900 | 28-φ33 | 453 | |
| 1000 | 1000 | 1295 | 1230 | 1160 | 1000 | 28-φ35 | 526 | |
| 1200 | 0.6 | 1200 | 1497 | 1405 | 1340 | 1200 | 32-φ33 | 684 |
| 1400 | 1400 | 1697 | 1630 | 1560 | 1400 | 32-φ33 | 853 | |
| 1600 | 1600 | 1920 | 1830 | 1760 | 1600 | 36-φ36 | 1036 | |
| 1800 | 1800 | 2115 | 2045 | 1970 | 1800 | 40-φ36 | 1316 | |
| 2000 | 2000 | 2350 | 2265 | 2180 | 2000 | 40-φ39 | 1746 | |
| 测量介质 | 水、污水、酸、碱、盐溶液、泥浆、矿浆、纸浆、煤水浆、玉米浆、纤维浆、糖浆、石灰浆、冷却水、盐水、双氧水、啤酒、麦汁、各种饮料、黑液、绿液、药液等导电流体介质。 |
| 口径 | 法兰式:DN10、DN15、20、25、32、40、50、65、80、100、125、150、200、250、300、350、400、450、500、600、700、800、900、1000、1100、1200、1400、1600、1800、2000特殊口径可协议供货 |
| 公称压力 | 0.25、0.6、1.0、1.6、2.5、4.0、6.4MPa、16MPa、25MPa |
| 衬里材料 | 橡胶、聚四氟乙烯、聚全氟乙丙烯、聚氨脂、特殊材料 |
| 电极材料 | 含钼不锈钢、哈氏合金C、哈氏合金B、钛、担、铂 |
| 介质温度 | -20℃~120C(特殊150℃) |
| 准确度 | 0.25%(协议供货)、0.5% |
| 流速范围 | 0.5m/s~15m/s |
| 输出信号 | 4-20mA、脉冲输出 |
| 通讯功能 | HART、RS485 |
| 供电电源 | 220VAC50HZ、24VDC |
| 环境温度 | -20℃~60℃ |
| 防护等级 | IP65、IP68 |
| 防爆等级 | 隔爆型、本安型 |
| 衬里材料 | 主要功能 | 最高介质温度 | 适用范围 |
| 聚四氟乙稀 | 1、它是塑料中化学性能最稳定的一种材料,能耐沸腾的盐酸、硫酸、硝酸和王水,也能耐浓碱和各种有机溶剂。 2、耐磨性和粘接性能较差,不如聚氨酯 | 120℃(特殊订货可选180℃) | 浓酸、碱等强腐蚀性质卫生类介质 |
| 氯丁橡胶 | 1、有极好的弹性,高度的扯断力,耐磨性能好。 2、耐一般低浓度酸、碱、盐介质的腐蚀,不耐氧化性介质的腐蚀。 | 0~80℃ | 测一般水、污水、弱磨损性的泥浆、矿浆 |
| 聚氨酯橡胶 | 1、有极好的耐磨性能(相当于天然橡胶的十倍)。 2、耐酸、碱性能较差。 | 65℃ | 中性、强磨损的矿浆、煤浆、泥浆 |
| 耐酸橡胶 (硬橡胶) | 可耐常温下的盐酸、醋酸、草酸、氨水、磷酸及50%的硫酸、氢氧化钾。忌强氧化剂。 | 65℃ | 一般的酸、碱 |
| 电极材料 | 耐腐蚀性能和适用范围 |
| 耐酸不锈钢 (1Cr18Ni9Ti) | 对硝酸、冷磷酸和其他无机酸,许多盐及及碱的溶液,有机酸及海水等介质耐腐蚀。 对硫酸,盐酸,氢氟酸,对沸腾的蚁酸、草酸,工业铬酸,以及对碳酸钠及氯,溴,碘等介质,化学稳定性差。因此适用于非腐蚀性或弱腐蚀介质,如水,污水、矿浆、泥浆,纤维浆、糖浆等流体。 |
| 含钼不锈钢 (0Cr18Ni12M02Ti) | 对于硝酸,室温下<5%硫酸,沸腾的磷酸,蚁酸,碱溶液,在一定压力下的亚硫酸,海水、醋酸等介质有强的耐蚀性。可广泛用于石油、化工,尿素,维尼纶等工业。 |
| 哈氏合金B (HB) | 在非氧化性环境中有耐腐蚀性,对沸点以下一切浓度的盐酸有良好的耐腐蚀性,也耐硫酸、磷酸、氢氟酸、有机酸等非氧化性酸、碱、非氧化盐液的腐蚀,不适用于硝酸之类氧化性酸中,可测海水,盐酸,弱酸,弱碱。 |
| 哈氏合金C (HC) | 在中等程度的氧化性和还原性环境中有耐腐蚀性,适用于各类有机酸及碱类介质的测量,不适用于氟化物和氯化物。可测乙醛,乙酸,氢氧化钠等溶液。 |
| 钛 | 能耐海水,各种氯化物和次氯酸盐,氧化性酸(不包括发烟硝酸),有机酸,碱等溶液的腐蚀,不耐较纯的还原性酸(如硫酸,盐酸)的腐蚀。但如酸中含有氧化剂(如硝酸Fe+++,Cu++)时则腐蚀性大为降低。可测氯化锌,氯化钾,氯化钙,冷冻盐水,海水,氨水等。 |
| 钽 | 具有优良的耐腐蚀性,和玻璃很相似。除了氢氟酸,发烟硫酸,碱外,几乎能耐一切化学介质(包括沸点的盐酸,硝酸175℃以下的硫酸)的腐蚀。可测浓盐酸,硝酸,硫酸,王水等溶液。 |
| 铂 | 对各种酸的耐蚀性能很好,耐碱和各类盐的腐蚀,但不耐王水腐蚀。 |
| 不锈钢涂覆碳化钨 | 用于无腐蚀性,强磨损性介质 |
| 口径 (mm) | V=0.1m/s Qmax=m³/h | V=1m/s Qmax=m³/h | V=2m/s Qmax=m³/h | V=3m/s Qmax=m³/h | V=4m/s Qmax=m³/h | V=5m/s Qmax=m³/h | V=10m/s Qmax=m³/h | V=15m/s Qmax=m³/h |
| 10 | 0.028 | 0.2827 | 0.5655 | 0.8482 | 1.1310 | 1.4137 | 2.8274 | 4.2412 |
| 15 | 0.064 | 0.6362 | 1.2723 | 1.9085 | 2.5447 | 3.1809 | 6.3617 | 9.5426 |
| 20 | 0.113 | 1.1310 | 2.2619 | 3.3929 | 4.5239 | 5.6549 | 11.3097 | 16.9646 |
| 25 | 0.238 | 2.3821 | 4.7642 | 7.1463 | 9.5284 | 11.9105 | 23.821 | 35.7315 |
| 32 | 0.177 | 1.7671 | 3.5343 | 5.3014 | 7.0686 | 8.8357 | 17.6715 | 26.5072 |
| 40 | 0.452 | 4.5239 | 9.0478 | 13.5717 | 18.0956 | 22.6195 | 45.2389 | 67.8584 |
| 50 | 0.707 | 7.0686 | 14.1372 | 21.2058 | 28.2743 | 35.3429 | 70.6858 | 106.029 |
| 65 | 1.195 | 11.946 | 23.8918 | 35.8377 | 47.7836 | 59.7295 | 119.459 | 179.189 |
| 85 | 1.810 | 18.0956 | 36.1911 | 54.2867 | 72.3823 | 90.4779 | 180.956 | 271.434 |
| 100 | 2.827 | 28.274 | 56.5487 | 84.8230 | 113.0973 | 141.372 | 282.743 | 424.115 |
| 125 | 4.417 | 44.1775 | 88.3575 | 132.535 | 176.715 | 220.8925 | 441.7875 | 662.68 |
| 150 | 6.362 | 63.617 | 127.235 | 190.852 | 254.4690 | 318.086 | 636.173 | 954.259 |
| 200 | 11.310 | 113.097 | 226.195 | 339.292 | 452.3893 | 565.487 | 1130.973 | 1696.460 |
| 250 | 17.671 | 176.715 | 353.429 | 530.144 | 760.8583 | 883.573 | 1767.146 | 2650.719 |
| 300 | 25.447 | 254.469 | 508.938 | 763.407 | 1017.876 | 1272.345 | 2544.690 | 3817.035 |
| 350 | 34.636 | 346.361 | 692.721 | 1039.082 | 1385.442 | 1731.803 | 3463.606 | 5195.409 |
| 400 | 45.239 | 452.389 | 904.779 | 1357.168 | 1809.557 | 2261.947 | 4523.893 | 6785.840 |
| 450 | 57.256 | 572.555 | 1145.111 | 1717.666 | 2290.221 | 2862.776 | 5725.553 | 8588.329 |
| 500 | 70686 | 706.858 | 1413.717 | 2120.575 | 2827.433 | 3634.292 | 7068.584 | 10602.88 |
| 600 | 100.79 | 1017.876 | 2035.752 | 3053.628 | 4071.504 | 5089.380 | 10178.76 | 15268.14 |
| 700 | 138.54 | 1385.442 | 2770.885 | 4156.327 | 5541.769 | 6927.212 | 13854.42 | 20781.64 |
| 800 | 180.96 | 1809.557 | 3619.115 | 5428.672 | 7238.230 | 9047,787 | 18095.57 | 27143.36 |
| 900 | 229.02 | 2290.221 | 4580.442 | 6870.663 | 9160.884 | 11451.11 | 22902.21 | 34353.32 |
| 1000 | 282.74 | 2827.433 | 5654.867 | 8482.300 | 11309.73 | 14137.17 | 28274.33 | 42411.50 |
| 1200 | 407.15 | 4071.504 | 8143.008 | 12214.51 | 16286.02 | 20357.52 | 40715.04 | 61072.56 |
| 1400 | 554.18 | 5541.769 | 11083.54 | 16625.31 | 22167.08 | 27708.85 | 55417.69 | 83126.54 |
| 1600 | 723.82 | 7238.230 | 14476.46 | 21714.69 | 28952.92 | 36191.15 | 72382.30 | 108573.4 |
| 1800 | 916.09 | 9169.884 | 18321.77 | 27482.65 | 36643.54 | 45804.42 | 91608.84 | 137413.3 |
| 2000 | 1131.0 | 11309.73 | 22619.47 | 33929.20 | 45238.93 | 56548.67 | 113097.3 | 169646.0 |
•避免雷击。
•保证通风和干燥,避免温度过高、湿度过大,腐蚀性气体。
•装在室外的电磁流量计要有遮阳、防雨措施,切忌暴晒。
进口防腐型电磁流量计的日常维护。
•定期检查电磁流量计转换器有否浸水受潮或者腐蚀。
•定期清洗电极和测量管,清洗时,切勿损伤电极和衬里。
•定期检查连接电缆的老化及接触程度是否完好。