产品说明
Q641F气动切断球阀@德国NOOK诺克一种转角为90°的旋转类球阀,也可称为"气动O型球阀"。是采用角行程气动执行器及球阀组成。是在引进国外先进技术的基础上进行特殊设计、精心制造的产品。采用智能控制与定位,与电气阀门定位器配套,输入4~20mADC信号及0.4~0.7MPa气源即可控制运转,实现对压力、流量、温度、液位等参数的调节。气动切断球阀、气动O型切断球阀是以压缩空气为动力,阀杆带动阀芯在阀体内转动90°可以实现全开—全闭的动作。按其密封性能分为金属密封与软密封。具有结构紧凑、体积精小、运行可靠、密封性好、维修容易、安装方便、适应性强等优点。特别适合于介质是粘稠、含颗粒、纤维性质的场合。气动调节球阀广泛应用于石油、化工、教学设备、轻工、高压设备、制药、造纸等工业自动控制系统中,作远距离集中控制或就地控制。
产品特点
1、流体阻力小、球阀是所有阀类中流体阻力最小的一种,即使是缩径球阀,其流体阻力也相当小。
2、止推轴承减小阀杆磨擦力矩,可使阀杆长期操作平稳灵活。
3、阀座密封性能好,采用聚四氟乙烯等弹性材料制成的密封圈,结构易于密封,而且球阀的阀封能力随着介质压力的增高而增大。
4、阀杆密封可靠,由于阀杆只作彷转动运而不做升降运动,阀杆的填料密封不易破坏,且密封能力随着介质的压力增高而增大。
5、由于聚四氟乙烯等材料具有良好的自润滑性,与球体的磨擦损失小,故球阀的使用寿命长。
设计规范
| 设计与制造 | GB12237-89、API608、API 6D、JPI 7S-48、BS5351、DIN3357 |
| 法兰尺寸 | JB/T74~90(JB74~90)、GB9112~9131、HGJ44~76、SH3406、ANSI B16.5、JIS B2212~2214 |
| 结构长度 | GB12221-89、ANSI B16.10、JIS B2002、NF E29-305、DIN3202 |
| 检验与试验 | JB/T9113.1、API 598 |
主要技术参数
| 公称通径DN(mm) | 15 | 20 | 25 | 32 | 40 | 50 | 65 | 80 | 100 | 125 | 150 | 200 |
| 额定流量系数KV | 21 | 38 | 72 | 112 | 170 | 273 | 384 | 512 | 940 | 1452 | 2222 | 3589 |
| 公称压力(MPa) | PN1.6、2.5、4.0、6.4 MPa;ANSI 150、300LB |
| 阀体形式 | 两段式铸造球阀 |
| 连接形式 | 法兰式、焊接式、对夹式、螺纹式 |
| 阀芯形式 | "O"型球形阀芯 |
| 密封填料 | V型聚四氟乙烯填料、柔性石墨填料等 |
| 流量特性 | 近似快开型 |
| 动作范围 | 0~90° |
| 泄露量Q | 按GB/T4213-92,小于额定KV0.01% |
| 基本误差 | 带定位器:小于全行程的±2% |
| 回差 | 带定位器:小于全行程的2% |
执行器技术参数
| 执行器型号 | GT、SR、ST、AT、AW系列单双作用气动执行器 |
| 供气压力 | 0.4~0.7MPa |
| 气源接口 | G1/4"、G1/8"、G3/8"、G1/2" |
| 环境温度 | -30~+70℃ |
| 作用形式 | 单作用执行机构:气关式(B)--失气时阀位开(FO);气开式(K)--失气时阀位关(FC) 双作用执行机构:气关式(B)--失气时阀位保持(FL);气开式(K)-- 失气时阀位保持(FL) |
| 可配附件 | 定位器、电磁阀、空气过滤减压器、保位阀、行程开关、阀位传送器、手轮机构等 |
主要零件材料
| 零件名称 | 材料 |
| 阀体 | WCB | 304(CF8) | 316(CF8M) | 316L(CF3M) |
| 球体 | 2Cr13+氮化处理 | 304 | 316 | 316L |
| 阀杆 | 2Cr13 | 304 | 316 | 316L |
| 阀座密封圈 | PTFE(聚四氟乙烯)、PPL(对位聚苯)、金属密封(硬质合金) |
| 填料 | V型PTFE四氟填料、柔性石墨 |
主要设计标准
| 试验标准 | 公称压力(Mpa) | 压力级(class) | JIS(Mpa) |
| 试验压力(Mpa) | 1.6 | 2.5 | 4.0 | 6.4 | 10.0 | 150 | 300 | 600 | 10K | 20K |
| 强度试验 | 2.4 | 3.8 | 6.0 | 9.6 | 15.0 | 3.1 | 7.8 | 15.3 | 2.4 | 3.8 |
| 密封试验 | 1.8 | 2.8 | 4.4 | 7.0 | 11.0 | 2.2 | 5.6 | 11.2 | 1.5 | 2.8 |
| 气密试验 | 0.5~0.7 |
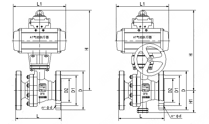
外形结构图

安装连接尺寸
| 公称通径DN(mm) | 主要尺寸 | 法兰尺寸 |
| PN1.6MPa | PN2.5MPa |
| L | H | H1 | L1 | D | D1 | D2 | n-φd | D | D1 | D2 | n-φd |
| 15 | 130 | 185 | / | 140 | 95 | 65 | 46 | 4-14 | 95 | 65 | 46 | 4-14 |
| 20 | 140 | 191 | / | 140 | 105 | 75 | 45 | 4-14 | 105 | 75 | 56 | 4-14 |
| 25 | 150 | 193 | / | 140 | 115 | 85 | 65 | 4-14 | 115 | 85 | 65 | 4-14 |
| 32 | 165 | 212 | / | 164 | 140 | 100 | 76 | 4-18 | 140 | 100 | 76 | 4-18 |
| 40 | 180 | 217 | / | 164 | 150 | 110 | 84 | 4-18 | 150 | 110 | 84 | 4-18 |
| 50 | 200 | 260 | 102 | 190 | 165 | 125 | 99 | 4-18 | 165 | 125 | 99 | 4-18 |
| 65 | 220 | 293 | 114 | 210 | 185 | 145 | 118 | 4-18 | 185 | 145 | 118 | 8-18 |
| 80 | 250 | 323 | 127 | 247 | 200 | 160 | 132 | 8-18 | 200 | 160 | 132 | 8-18 |
| 100 | 280 | 382 | 152 | 276 | 220 | 180 | 156 | 8-18 | 235 | 190 | 156 | 8-22 |
| 125 | 320 | 468 | 184 | 348 | 250 | 210 | 184 | 8-18 | 270 | 220 | 184 | 8-26 |
| 150 | 360 | 510 | 219 | 378 | 285 | 240 | 211 | 8-22 | 300 | 250 | 211 | 8-26 |
| 200 | 400 | 655 | 273 | 524 | 340 | 295 | 266 | 12-22 | 360 | 310 | 274 | 12-26 |
| 250 | 630 | / | 360 | / | 405 | 355 | 319 | 12-26 | 425 | 370 | 330 | 12-30 |
| 300 | 750 | / | 395 | / | 460 | 410 | 370 | 12-26 | 485 | 430 | 389 | 16-30 |
进口气动切断球阀热门搜索
进口球阀
进口蝶阀
进口闸阀
进口针型阀
进口调节阀
进口电磁阀
进口疏水阀
进口排气阀
进口减压阀
进口阻火器
进口过滤器
进口截止阀
进口安全阀
进口隔膜阀
进口止回阀
进口角座阀
进口真空阀
进口呼吸阀
进口平衡阀
进口旋塞阀
进口放料阀
进口过滤器
进口排污阀
进口排泥阀
进口切断阀
进口管夹阀
进口柱塞阀
进口底阀
进口视镜
进口法兰
进口水力控制阀